|
公司基本資料信息
![]() |
|||||||||||||||||||||||||||||
NYP高粘度泵是 種根據石油、化工、油脂、醫藥、染料、涂料、食品等行業的需求,研發的新型容積式高粘度泵,由于該類型泵可選用材質種類繁多和其獨有的構造,因此廣泛應用于不同性質、不同粘度的介質輸送。泵主要有內、外轉子、軸、泵體、前蓋、托架、密封、軸承等組成。是 種容積式內轉子泵。具有自吸性能強、體積小、重量輕、脈動小、噪音低、運轉平穩、壽命長等優點。
NYP高粘度泵適用輸送不含固體顆粒和纖維的粘稠液體,甚至是半固體狀態的液體, 高輸送黏度達到3×105厘泊,介質溫度不超過200℃。
NYP高粘度泵在開始運轉前,往齒輪泵的殼體內灌滿待輸送的液體,便于安全啟動。若環境溫度低于冰點,應預 向泵內通入熱蒸汽,進行預熱處理,然后才可啟動齒輪泵。NYP內轉子泵的旋轉方向要與進、出油口相符。齒輪泵若是 次運行,或長期閑置后再使用, 好在空載或小負荷情況下 跑合 小時左右。如果在跑合階段預 覺察出異常溫升、泄漏、振動和噪聲時,應停機檢查。
泵頭部、泵殼體、密封腔部分均可以帶保溫夾套。根據實際需要選擇需要保溫的位置。
夾套與泵體鑄造成 體,保溫效果良好,能夠避免焊接夾套產生的各種問題。
需加熱時:通過熱蒸汽、導熱油等各種熱媒通入夾套腔即可進行保溫。
需冷卻時:通過各種冷卻液,可以保持泵體的恒溫。
NYP高粘度泵優點
①內外轉子轉向相同,磨損小,使用壽命長。
②泵的轉速與流量呈線性函數關系,可適當改變轉速來改變泵的流量。
③特別適用高粘稠度介質的輸送。
④輸送液體平穩,無脈動,振動小,噪音低。
⑤有很強的自吸性能。
⑥正確選用零件材料,可輸送多種有腐蝕性的介質,使用溫度可達200℃
NYP高粘度泵適用范圍
廣泛應用于各種流體的輸送行業,尤其對于處理粘度變化較大、范圍較寬的流體輸送。
應用行業:適用于輸送純凈且有 定粘度的流體,可用于輸送油品如潤滑油、原油等;也可以用來輸送橡膠、瀝青、油漆、粘合劑、染料、涂料、潤滑劑、多元醇、食品、藥品等不含顆粒性雜質的高粘度物料;還可用于輸送PA PB PC PE PS HIPS ABS PP PET PVA等高溫、高粘度聚合物熔體物料。
選擇NYP高粘度泵的理由:
1.密封維修,更換,升 方便:NYP高粘度泵系列,軸承腔加大,軸承部分成為 個整體的部件,只需擰下頂絲即可旋下整個密封腔。密封可以從支架的軸承箱部分直接取下。這樣不僅大大節省了維修的時間,更使維修變得更容易。
2.齒輪尾部間隙可調:NYP高粘度泵可以根據粘度的需要,通過調節齒輪間隙,達到泵在不同黏度下的工藝要求。整體軸承箱 二大優勢就是,只需轉動軸承箱即可實現間隙的調整。操作簡單,不需拆卸泵的任何部件。
3.加大軸承腔 三大優勢:寬大的支架腔提供的空間,不需拆泵,即可對填料進行調節。
4.部分重要部件可以根據工藝需要更換為各種耐高溫、耐磨損、耐腐蝕、耐高壓,和自潤滑的材質。
5.整塊材料堅固的鑄造,避免了因振動、強外力等緣故造成對密封、軸承的影響。保證了泵輸送的穩定性。
6.大流量泵可以實現高壓下工作。
7.強有力的加粗軸保證了泵輸送的穩定性。
8.保溫夾套整體鑄造,保溫效果好,零泄漏。
9.多種耐高溫填料密封,特殊材質、特殊設計,創造了填料密封勝過機械密封的奇跡。
NYP系列高粘度泵性能參數表
| 型號 |
流量 |
壓力 Mpa |
吸入及排出管口徑 | 必須汽蝕余量m | 效率 % |
減速方式 | ||||
|
m3/h |
I/min |
功率 KW |
轉速 r/min |
減速機 | ||||||
| NYP3/1.0 | 2 | 33.3 | 1.0 | Rp11/2 | 5 | 45 | 3 | 587 | YCJ71 | |
|
NYP10/1.0 |
6 | 100 |
1.3 |
Rp2 |
45 | 7.5 | 228 | YCJ112 | ||
| 8 | 133.3 | 1.0 | Rp2 | 45 | 7.5 | 303 | YCJ100 | |||
| 10 | 166.7 | Rp2 | 51 | 7.5 | 357 | YCJ100 | ||||
| 12 | 200 | Rp2 | 54 | 7.5 | 475 | YCJ100 | ||||
|
NYP30/1.0 |
? 18 | 300 | ¢80 | 54 | 15 | 305 | YCJ112 | |||
| 22 | 366.7 | ¢80 | 58 | 15 | 359 | YCJ112 | ||||
| 28 | 466.7 | ¢80 | 65 | 15 | 479 | YCJ112 | ||||
| NYP50/1.0 | 50 | 833.3 | ¢150 | 52 | 37 | 128 | YCJ315 | |||
| 80 | 1333.3 | ¢150 | 58 | 45 | 208 | YCJ355 | ||||
| 100 | 1666.6 | ¢150 | 65 | 55 | 253 | YCJ355 | ||||
| NYP3/1.0 | 1.5 | 25 | Rp11/2 | 43 | 3 | 480 |
皮帶輪傳動 |
|||
| 2 | 33.3 | Rp11/2 | 43 | 3 | 640 | |||||
| NYP10/1.0 | 8 | 133.3 | Rp2 | 43 | 7.5 | 303 | ||||
| 10 | 166.7 | Rp2 | 49 | 7.5 | 357 | |||||
| 12 | 200 | Rp2 | 51 | 7.5 | 475 | |||||
| NYP3/1.0 | 3 | 50 | 1 | Rp11/2 | 55 | 3 | 960 |
Y132S-6 |
與電機直聯 |
|
|
密封方式:用戶需要 |
||||||||||
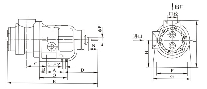
NYP高粘度內齒泵結構圖


| 泵型號 | 理論排量 L/100r |
A | B | C | D | E | F | G | H | I | Q | N | P | Z | 口徑 |
| NYP7.0A (原NYP3A) |
7.0 | 58 | 16 | 99 | 147 | 375 | 140 | 172 | 88 | 178 | 90 | 43 | 19 | 13 | G11/2" |
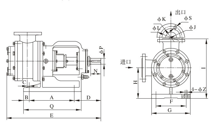
NYP24,NYP80,NYP111(A),NYP727泵頭外形尺寸

| 型號 | 理論排量 L/100r |
A | B | C | D | E | F | G | H | I | J | K | L | N | P | Q | S | Z |
| NYP24 | 24 | 120 | 30 | 94 | 196 | 518 | 200 | 240 | 160 | 320 | 50 | 125 | 165 | 57 | 30 | 180 | 4-φ18 | 18 |
| NYP80 | 80 | 170 | 27.5 | 138.5 | 183.5 | 592 | 220 | 255 | 180 | 390 | 80 | 160 | 200 | 75 | 42 | 225 | 8-φ18 | 15 |
| NYP111 (原NYP30A) |
111 | 170 | 25 | 142 | 188 | 616 | 220 | 255 | 180 | 390 | 80 | 160 | 200 | 58 | 40 | 225 | 8-φ18 | 15 |
| NYP111 (原NYP30A) |
111 | 340 | 30 | 3 | 198 | 688 | 220 | 280 | 220 | 430 | 80 | 160 | 200 | 75 | 42 | 420 | 8-φ18 | 20 |
| NYP320 | 320 | 340 | 35 | 120.5 | 268 | 849 | 330 | 400 | 260 | 520 | 125 | 210 | 250 | 120 | 65 | 410 | 8-φ18 | 22 |
| NYP727 (原NYP50A) |
727 | 410 | 40 | 170 | 260 | 1060 | 370 | 450 | 360 | 680 | 150 | 240 | 285 | 120 | 80 | 530 | 8-φ18 | 22 |
NYP不銹鋼保溫泵配減速電機整機安裝尺寸圖

| 型號 | L | L1 | L2 | L3 | L4 | H | H1 | H2 | B | B1 | B2 | B3 | D | D1 | Decelerator | ||
| 型號 | 功率KW | 轉速r/min | |||||||||||||||
| NYP7.0 | 1028 | 91 | 384 | 590 | 115 | 327 | 253 | 163 | 270 | 225 | 225 | 90 | G11/2" | φ20 | YCJ71 | 3 | 583 |
| 455 | |||||||||||||||||
| NYP52 | 1361 | 67 | 576 | 790 | 130 | 480 | 355 | 225 | 400 | 308 | 340 | 130 | G2" | φ22 | YCJ112 | 7.5 | 228 |
| 1351 | 67 | 576 | 790 | 130 | 533 | 355 | 225 | 400 | 308 | 340 | 130 | G2" | φ22 | YCJ100 | 7.5 | 303 | |
| 357 | |||||||||||||||||
| 1436 | 67 | 576 | 790 | 130 | 533 | 355 | 225 | 400 | 308 | 340 | 130 | G2" | φ22 | YCJ100 | 11 | 475 | |
| NYP111 | 1500 | 154 | 558 | 890 | 227 | 585 | 495 | 285 | 525 | 385 | 475 | 210 | φ80 | φ22 | YCJ112 | 15 | 305 |
| 417 | |||||||||||||||||
| 479 | |||||||||||||||||
| NYP727 | 2423 | 200 | 950 | 1259 | 330 | 825 | 935 | 615 | 580 | 520 | 520 | 320 | φ150 | φ28 | YCJ315 | 37 | 128 |