|
公司基本資料信息
![]() |
|||||||||||||||||||||||||||||
YCB系列不銹鋼圓弧泵,可輸送無潤滑性的油料、飲料、有腐蝕性的液體。配用銅齒輪可輸送低內點液體,如汽油、苯等。本系列泵除配置普通電機外,還可根據用戶需要配置同規格的防爆電機。
YCB不銹鋼圓弧泵采用 進的 點連續接觸齒輪,即雙圓弧加正弦曲線復合成齒形。
YCB不銹鋼圓弧泵在兩嚙合齒廓間為 點連續接觸,不會產生困油現象,徹底解決了漸開線齒輪泵因困油現象導致泵的振動、噪聲、軸承負載增大等現象。因此圓弧齒輪泵具有效率、噪聲低,并具有良好的節能效果。
YCB不銹鋼圓弧泵主要有齒輪、軸、泵體、泵蓋、軸承套、軸端密封等組成。齒輪采用雙圓弧正弦曲線齒形制造。它與漸開線齒輪相比 突出的優點是齒輪嚙合過程中齒廓面沒有相對滑動,所以齒面無磨損,運轉平穩,無困液現象,噪音低、壽命長、效率高。YCB圓弧泵擺脫了傳統設計的束縛,使得齒輪泵在設計、生產和使用上進入了 個新的領域。
由于圓弧齒輪提供了低的接觸應力和有 個短厚有力的輪齒,它們比漸開線齒輪更優越。
不銹鋼圓弧齒輪泵內部齒輪加工工序簡介:
1.在車床上粗車外形
2.在車床上精車齒輪外形
3.車好后送到檢驗部,檢驗合格,送達滾齒車間
4.接到后,粗銑齒
5.精銑齒
6.送達檢驗部檢驗合格后
7.送達硬質部門,昝火
8.齒輪順利完成
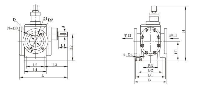
YCB圓弧齒輪油泵安裝尺寸

| 型號 | L | L1 | L2 | L3 | L4 | B | B1 | B2 | B3 | H | H1 | H2 | D | D1 | D2 | N-D3 | 4-D4 | d |
| YCB0.6 | 180 | 30 | 45 | 107.5 | 66 | 125 | 91 | 70 | 35 | 187 | 80 | 92 | φ25 | φ100 | φ75 | 4-M10 | 4-φ9 | φ12 |
| YCB1.6 | 208 | 32 | 55 | 118.5 | 80 | 150 | 115 | 90 | 50 | 208 | 79.7 | 95 | φ32 | φ120 | φ90 | 4-φ14 | 4-φ11 | φ14 |
| YCB3.3 | 247.6 | 35 | 70 | 132.85 | 98 | 180 | 148 | 120 | 75 | 258 | 87.6 | 110 | φ40 | φ130 | φ100 | 4-φ14 | 4-φ13 | φ18 |
| YCB4 | 260.6 | 35 | 80 | 134.8 | 108 | 180 | 148 | 120 | 75 | 263 | 92.6 | 115 | φ50 | φ140 | φ110 | 4-φ14 | 4-φ13 | φ18 |
| YCB8 | 313 | 45 | 100 | 158.5 | 138 | 220 | 178 | 140 | 90 | 361 | 105 | 135 | φ65 | φ160 |
φ130 |
4-φ14 | 4-φ13 | φ24 |
| YCB10 | 330 | 45 | 100 | 168.5 | 138 | 220 | 178 | 140 | 90 | 360 | 105 | 135 | φ65 | φ160 | φ130 | 4-φ14 | 4-φ13 | φ24 |
| YCB20 | 400 | 55 | 135 | 201 | 182 | 260 | 226 | 180 | 118 | 436.5 | 130.8 | 170 | φ80 | φ190 | φ150 | 4-φ18 | 4-φ18 | φ32 |
| YCB25 | 430 | 55 | 135 | 216 | 182 | 260 | 226 | 180 | 118 | 436.5 | 130.8 | 170 | φ100 | φ210 | φ170 | 4-φ18 | 4-φ18 | φ32 |
| YCB30 | 459 | 60 | 150 | 236 | 200 | 275 | 231 | 190 | 126 | 461 | 141 | 185 | φ100 | φ210 | φ170 | 4-φ18 | 4-φ18 | φ35 |
| YCB40 | 500 | 70 | 175 | 251.5 | 225 | 300 | 260 | 210 | 140 | 509 | 157 | 205 | φ125 | φ240 | φ200 | 4-φ18 | 4-φ18 | φ40 |
| YCB50 | 493 | 70 | 175 | 246.5 | 225 | 300 | 260 | 210 | 140 | 509 | 157 | 205 | φ125 | φ240 | φ200 | 4-φ18 | 4-φ18 | φ40 |
YCB不銹鋼圓弧齒輪泵外型、安裝尺寸

| 型號 Model |
流量 m3/h |
A | B | C | D | E | F | G | H | J | K | M | N | φ1 | φ2 | φ3 | n×φ4 |
| YCB0.6-0.6 | 0.6 | 506 | 50 | 22.5 | 280 | 421 | 155 | 115 | 232 | 136 | 125 | 222 | 252 | φ25 | φ75 | φ100 | 4×M10 |
| YCB1.0-0.6 | 1.0 | 486.5 | 264 | 405 | 150 | 217 | 207 | 237 | |||||||||
| YCB1.6-0.6 | 1.6 | 547 | 63 | 27.5 | 303 | 455 | 155 | 243 | 156 | 150 | 222 | 252 | φ32 | φ90 | φ120 |
4×φ14
|
|
| YCB2.5-0.6 | 2.5 | ||||||||||||||||
| YCB3.3-0.6 | 3.3 | 644 | 76 | 35 | 344.5 | 544.5 | 180 | 127.6 | 298 | 198 | 180 | 266 | 298 | φ 40 | φ100 | φ130 | |
| YCB5.0-0.6 | 5.0 | ||||||||||||||||
| YCB4.0-0.6 | 4.0 | 667.5 | 82 | 40 | 346 | 557 | 256 | 288 | φ50 | φ110 | φ140 | ||||||
| YCB6.0-0.6 | 6.0 | ||||||||||||||||
| YCB8.0-0.6 | 8.0 | 795 | 101 | 50 | 382 | 644 | 210 | 140 | 396 | 218 | 220 | 332 | 364 | φ65 | φ130 | φ160 | |
| YCB12-0.6 | 12 | ||||||||||||||||
| YCB10-0.6 | 10 | 849 | 111 | 430 | 690 | ||||||||||||
| YCB15-0.6 | 15 | 808 | 392 | 652 | |||||||||||||
| YCB20-0.6 | 20 | 1009 | 131.5 | 29.5 | 566 | 845 | 255 | 165.8 | 471.5 | 270 | 260 | 380 | 416 | φ80 | φ150 | φ190 | 4×φ18 |
| YCB25-0.6 | 25 | 1100 | 146.5 | 603 | 904 | 385 | 421 | φ100 | φ170 | φ210 | |||||||
| YCB30-0.6 | 30 | 1125 | 147 | 35 | 646 | 954 | 196 | 517 | 295 | 275 | 400 | 436 | |||||
| YCB40-0.6 | 40 | 1214 | 161 | 42.5 | 673 | 1023 | 285 | 212 | 562 | 315 | 300 | 425 | 461 | φ125 | φ200 | φ240 | 8×φ18 |
| YCB50-0.6 | 50 | 1300 | 159 | 52.5 | 680 | 1080 | 310 | 237 | 590 | 240 | 300 | 476 | 536 | φ125 | φ200 | φ240 | 8×φ18 |
YCB不銹鋼圓弧泵性能參數表
|
型號 |
流量 Q |
轉速 n r/min |
排出壓力 p Mpa |
必需汽 蝕余量 r m |
效率 η % |
電動機 | ||
| m3/h | 頻率 Hz |
功率KW |
型號 | |||||
| YCB0.6-0.6 | 0.6 | 910 | 0.6 | 5.5 | 32 | 50 | 0.75 | Y90S-6 |
| 1.0 | 1390 | 50 | 0.75 | Y80L2-4 | ||||
| 0.7 | 1130 | 60 | 0.75 | Y90S-6 | ||||
| 1.2 | 1710 | 60 | 0.75 | Y80L2-4 | ||||
| YCB0.6-1.6 | 0.6 | 910 | 1.6 | 7.0 | 70 | 50 | 1.1 | Y90L-6 |
| 1.0 | 1400 | 50 | 1.5 | Y90L-4 | ||||
| 0.7 | 1130 | 60 | 1.1 | Y90L-6 | ||||
| 1.2 | 1710 | 60 | 1.1 | Y90S-4 | ||||
| YCB1.6-0.6 | 1.6 | 910 | 0.6 | 5.5 | 42 | 50 | 0.75 | Y90S-6 |
| 2.5 | 1400 | 50 | 1.1 | Y90S-4 | ||||
| 1.9 | 1130 | 60 | 1.1 | Y90L-6 | ||||
| 3.0 | 1710 | 60 | 1.5 | Y90L-4 | ||||
| YCB1.6-1.6 | 1.6 | 940 | 1.6 | 7.0 | 71 | 50 | 2.2 | Y112M-6 |
| 2.5 | 1440 | 50 | 4 | Y112M-4 | ||||
| 1.9 | 1150 | 60 | 2.2 | Y112M-6 | ||||
| 3.0 | 1750 | 60 | 4 | Y112M-4 | ||||
| YCB3.3-0.6 | 3.3 | 940 | 0.6 | 5.0 | 60 | 50 | 1.5 | Y100L-6 |
| 5.0 | 1420 | 50 | 2.2 | Y100L1-4 | ||||
| 4.0 | 1150 | 60 | 1.5 | Y100L-6 | ||||
| 6.0 | 1730 | 60 | 2.2 | Y100L1-4 | ||||
| YCB3.3-1.6 | 3.3 | 960 | 1.6 | 7.0 | 72 | 50 | 5.5 | Y132M2-6 |
| 5.0 | 1440 | 50 | 7.5 | Y132M-4 | ||||
| 4.0 | 1170 | 60 | 4 | Y132M1-6 | ||||
| 6.0 | 1750 | 60 | 7.5 | Y132M-4 | ||||
| YCB4-0.6 | 4.0 | 940 | 0.6 | 5.0 | 60 | 50 | 1.5 | Y100L-6 |
| 6.0 | 1420 | 50 | 2.2 | Y100L1-4 | ||||
| 4.8 | 1150 | 60 | 2.2 | Y112M-6 | ||||
| 7.2 | 1730 | 60 | 3 | Y100L2-4 | ||||
| YCB4-1.6 | 4.0 | 960 | 1.6 | 7.0 | 72 | 50 | 5.5 | Y132M2-6 |
| 6.0 | 1440 | 50 | 7.5 | Y132M-4 | ||||
| 4.8 | 1170 | 60 | 5.5 | Y132M-6 | ||||
| 7.2 | 1750 | 60 | 7.5 | Y132M-4 | ||||
| YCB8-0.6 | 8.0 | 960 | 0.6 | 5.0 | 61 | 50 | 3 | Y132S-6 |
| 12.0 | 1440 | 50 | 5.5 | Y132S-4 | ||||
| 9.6 | 1170 | 60 | 4 | Y132M1-6 | ||||
| 14.4 | 1750 | 60 | 5.5 | Y132S-4 | ||||
| YCB8-1.6 | 8.0 | 970 | 1.6 | 7.0 | 75 | 50 | 11 | Y160L-6 |
| 12.0 | 1460 | 50 | 15 | Y160L-4 | ||||
| 9.6 | 1170 | 60 | 11 | Y160L-6 | ||||
| 14.4 | 1760 | 60 | 15 | Y160L-4 | ||||
| YCB10-0.6 | 10.0 | 960 | 0.6 | 5.0 | 62 | 50 | 4 | Y132M1-6 |
| 15.0 | 1440 | 50 | 5.5 | Y132S-4 | ||||
| 12.0 | 1170 | 60 | 5.5 | Y132M2-6 | ||||
| 18.0 | 1750 | 60 | 7.5 | Y132M-4 | ||||
| YCB10-1.6 | 10.0 | 970 | 1.6 | 7.0 | 76 | 50 | 11 | Y160L-6 |
| 15.0 | 1470 | 50 | 15 | Y160L-4 | ||||
| 12.0 | 1170 | 60 | 11 | Y160L-6 | ||||
| 18.0 | 1770 | 60 | 18.5 | Y160L-4 | ||||
| YCB20-0.6 | 20.0 | 970 | 0.6 | 5.0 | 68 | 50 | 7.5 | Y160M-6 |
| 24.0 | 1170 | 60 | 7.5 | Y160M-6 | ||||
| YCB25-0.6 | 25.0 | 970 | 0.6 | 5.5 | 69 | 50 | 11 | Y160L-6 |
| 30.0 | 1170 | 60 | 11 | Y160L-6 | ||||
| YCB30-0.6 | 30.0 | 970 | 0.6 | 5.5 | 70 | 50 | 11 | Y160L-6 |
| 36.0 | 1170 | 60 | 11 | Y160L-6 | ||||
| YCB40-0.6 | 40.0 | 970 | 0.6 | 5.5 | 72 | 50 | 15 | Y180L-6 |
| 48.0 | 1180 | 60 | 15 | Y180L-6 | ||||
| YCB50-0.6 | 50.0 | 970 | 0.6 | 5.5 | 72 | 50 | 22 | Y200L2-6 |
| 60.0 | 1180 | 60 | 22 | Y200L2-6 | ||||